особенность
◆ Отличная конструкция с двойной диафрагмой, многослойная структура многослойной мембраны делает мембрану равномерно напряженной и долговечной;
◆ Двойная мембрана из PTFE обладает отличными антикоррозийными характеристиками и проницаемостью.
◆ Система контроля состояния мембраны может выводить сигналы, когда мембрана повреждена, и может продолжать работать до тех пор, пока мембрана не будет заменена или насос не будет остановлен напрямую без загрязнения дозирующей среды.
◆ Точная конструкция эксцентрикового каркаса с эксцентриковым механизмом с кулачком и пружиной и регулируемым эксцентриковым механизмом передачи со встроенной втулкой;
◆ Статическое уплотнение концевой гидравлической мембраны заменяет динамическое уплотнение плунжера, поэтому среда передачи может быть без утечек;
◆ Скользящий шток непосредственно управляет движением мембраны, а не использует гидравлическое давление для привода мембраны для возвратно-поступательного периодического движения, поэтому конструкция механического мембранного насоса проще и удобнее в обслуживании;
◆ Запатентованная конструкция механической диафрагмы для обеспечения стабильной производительности потока.
◆ Независимо от того, остановлен он или работает, плавная регулировка плавного и стабильного выходного потока может быть реализована с помощью ручки точной настройки.
◆ Предохранительное устройство отсутствует, рекомендуется установить предохранительный клапан на выпускной трубе насоса.
Диапазон применения
Широко используется в таких отраслях, как защита окружающей среды, фармацевтика, производство бумаги, очистка сточных вод, городское водоснабжение, средства для измельчения цемента и т. Д.


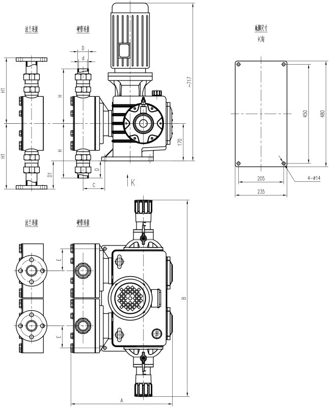
Механический мембранный насос DPMFXAA Основные параметры производительности
◆ Максимальная скорость потока может достигать 2300 л / ч;
◆ Максимальное давление может достигать 1,0 МПа;
◆ Температура транспортировки: ПВХ≤40 ℃, PTFE≤80 ℃;
◆ Диапазон регулировки во время работы или выключения: 0 ~ 100%;
◆ Ход всасывания может достигать 4 м;
◆ Регулировка хода механизма эксцентрикового колеса делает минимум импульса и большую несущую способность;
◆ Опционально, настройка преобразования частоты или ручная регулировка хода